గోప్యతా ప్రకటన: మీ గోప్యత మాకు చాలా ముఖ్యం. మీ స్పష్టమైన అనుమతులతో మీ వ్యక్తిగత సమాచారాన్ని ఏదైనా విస్తరణకు వెల్లడించవద్దని మా కంపెనీ హామీ ఇచ్చింది.
ఉత్పత్తి వర్గం
విచారణ పంపండి
చెల్లించు విధానము: L/C,T/T,D/P,D/A,Paypal
రవాణా: Ocean,Land,Air,Express,Others
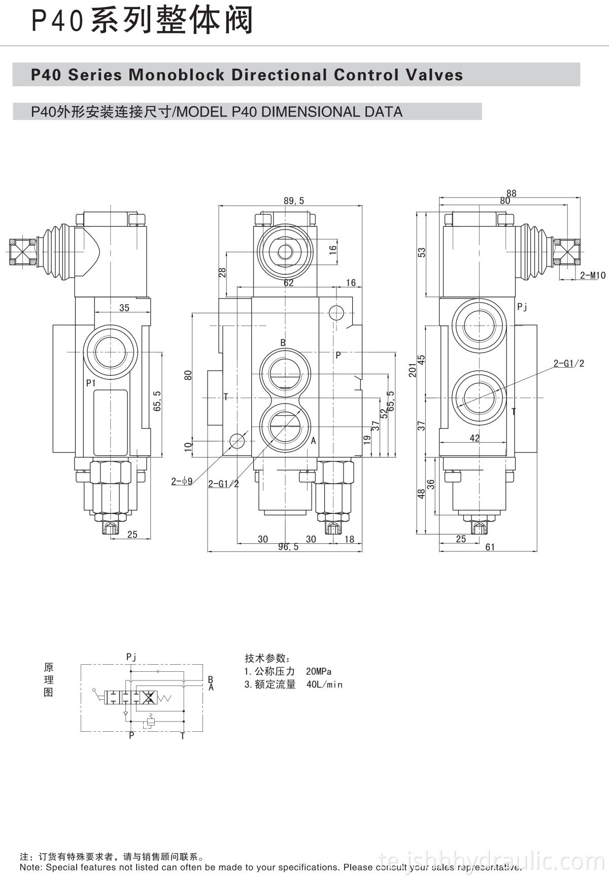
మోడల్ నం.: P40 Hydraulic Mobile Control Valve
బ్రాండ్: హాహోంగ్
Origin: హువాన్ సిటీ, చైనా
సర్టిఫికేషన్: Ce certificate
వారంటీ వ్యవధి: 1 సంవత్సరం
అవుట్-ఆఫ్-వారంటీ సేవ: వీడియో సాంకేతిక మద్దతు, ఆన్లైన్ మద్దతు, క్షేత్ర నిర్వహణ మరియు మరమ్మత్తు సేవ, విడి భాగాలు
Where To Provide Local Services (in Which Countries Are There Overseas Service Outlets): Other
Showroom Location (in Which Countries Are There Sample Rooms Overseas): None
మూల ప్రదేశం: చైనా
సేవా వ్యవస్థ: క్షేత్ర సంస్థాపన, ఆరంభం మరియు శిక్షణ, ఆన్లైన్ మద్దతు, వీడియో సాంకేతిక మద్దతు, క్షేత్ర నిర్వహణ మరియు మరమ్మత్తు సేవ, ఉచిత విడి భాగాలు, ఇతర
వాల్వ్ రకం: ప్రవాహ నియంత్రణ వాల్వ్
Maximum Temperature: -20 to +80 Degree C
Rated Flow: 40 LPM
Control Pressure: 50-250 bar
Degree Of Filtration: 25 um
Material: Vermicular graphite cast iron
Package Size: 32*26*15cm
అప్లికేషన్: Agriculture, horticulture, forestry, construction and industry
P40 సిరీస్ మోనోబ్లాక్ కంట్రోల్ వాల్వ్ అనేది ఇంజనీరింగ్ యంత్రాలు, వ్యవసాయ యంత్రాలు, ఓడలు మరియు పెట్రోలియం పరికరాలు వంటి పొలాలలో విస్తృతంగా ఉపయోగించే సమర్థవంతమైన మరియు నమ్మదగిన హైడ్రాలిక్ కంట్రోల్ భాగం. హవోహాంగ్ హైడ్రాలిక్ కూడా కౌంటర్ బ్యాలెన్స్ వాల్వ్ మరియు ప్రెజర్ రిలీఫ్ కవాటాలను కలిగి ఉంది. 
ఈ ఉత్పత్తుల శ్రేణి ఈ క్రింది లక్షణాలను కలిగి ఉంది:
1. పాండిత్యము: పి 40 సిరీస్ మల్టీ వే డైరెక్షనల్ వాల్వ్ డైరెక్షనల్ కంట్రోల్, షంట్, సంగమం, పీడన నియంత్రణ వంటి వివిధ హైడ్రాలిక్ నియంత్రణ విధులను సాధించగలదు. .సారాంశంలో, P40 సిరీస్ మల్టీ వే డైరెక్షనల్ వాల్వ్ అనేది అధిక-పనితీరు, సమర్థవంతమైన, శక్తి-పొదుపు, సురక్షితమైన మరియు నమ్మదగిన హైడ్రాలిక్ నియంత్రణ భాగం, ఇది వేర్వేరు పని దృశ్యాల అవసరాలను తీర్చగలదు మరియు వ్యవస్థ యొక్క సామర్థ్యం మరియు విశ్వసనీయతను మెరుగుపరుస్తుంది.


ప్యాకేజింగ్: 5 పొరల గోధుమ పెట్టెతో నిండి ఉంది
ఉత్పాదకత: 10000 sets/month
రవాణా: Ocean,Land,Air,Express,Others
మూల ప్రదేశం: హువాన్ సిటీ, చైనా
సరఫరా సామర్ధ్యం: 10000 sets/month
సర్టిఫికెట్: Ce certificate
HS కోడ్: 8481201090
పోర్ట్: SHANGHAI
చెల్లించు విధానము: L/C,T/T,D/P,D/A,Paypal
Incoterm: FOB,CFR,CIF,EXW
GET IN TOUCH
If you have any questions our products or services,feel free to reach out to us.Provide unique experiences for everyone involved with a brand.we’ve got preferential price and best-quality products for you.
గోప్యతా ప్రకటన: మీ గోప్యత మాకు చాలా ముఖ్యం. మీ స్పష్టమైన అనుమతులతో మీ వ్యక్తిగత సమాచారాన్ని ఏదైనా విస్తరణకు వెల్లడించవద్దని మా కంపెనీ హామీ ఇచ్చింది.
మరింత సమాచారాన్ని పూరించండి, తద్వారా మీతో వేగంగా సంప్రదించవచ్చు
గోప్యతా ప్రకటన: మీ గోప్యత మాకు చాలా ముఖ్యం. మీ స్పష్టమైన అనుమతులతో మీ వ్యక్తిగత సమాచారాన్ని ఏదైనా విస్తరణకు వెల్లడించవద్దని మా కంపెనీ హామీ ఇచ్చింది.